欢迎来到德州市赛力德液压设备有限公司!
咨询热线:13969283403
当前位置:首页 > 产品中心
 
技术参数
 

DSC系列电动油泵 详细参数

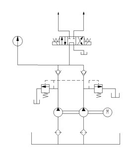
产品介绍:DSC电动油泵,最大特点是增加了电磁阀,与PLC计算机或远程遥控相结合,可以轻松实现智能调节和远程控制。内有高低压油泵,双出油口,适用于双作用油缸。

原理图:


DSC系列技术参数表

  • 德州市赛力德液压设备有限公司
  • 地址:山东省德州市德城区新华工业园
  • 电话:0534-2718268
  • 传真:0534-2718218
  • 手机:13969283403
  • 邮箱:dzsldyy@126.com
  • 网址:https://www.dzsld.com

© 德州市赛力德液压设备有限公司     鲁ICP备2020038190号-1     鲁公网安备 37140202001214号 技术支持:云豆信息技术