欢迎来到德州市赛力德液压设备有限公司!
咨询热线:13969283403
当前位置:首页 > 产品中心
 
技术参数
 

产品介绍:

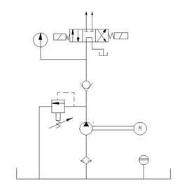
DBC系列电动泵站是由超高压定量柱塞泵、溢流阀、电磁换向阀、单向阀、电机、油箱、仪表等组成的独立完整的液压动力装置,具有结构简单、操作方便、自动控制等特点。换向阀采用电磁换向阀,可实现按钮控制及远距离操纵。

本泵站为单级泵、可实现自动化等功能,可配手动或脚跳开关。

液压原理图:


  • 德州市赛力德液压设备有限公司
  • 地址:山东省德州市德城区新华工业园
  • 电话:0534-2718268
  • 传真:0534-2718218
  • 手机:13969283403
  • 邮箱:dzsldyy@126.com
  • 网址:https://www.dzsld.com

© 德州市赛力德液压设备有限公司     鲁ICP备2020038190号-1     鲁公网安备 37140202001214号 技术支持:云豆信息技术