欢迎来到德州市赛力德液压设备有限公司!
咨询热线:13969283403
网站首页
关于我们
产品中心
液压千斤顶油缸
电动油泵
手动油泵
径向柱塞泵
液压劈裂机
液压劈裂棒
液压机具
桥梁三维顶推
非标液压系统
锥度配合油压拆卸工具
同步顶升千斤顶及控制系统
预应力张拉设备
油压机系列
液压破装机
客户支持
客户案例
新闻中心
联系我们
当前位置:
首页
> 产品中心
液压千斤顶油缸
电动油泵
手动油泵
径向柱塞泵
液压劈裂机
液压劈裂棒
液压机具
桥梁三维顶推
非标液压系统
锥度配合油压拆卸工具
同步顶升千斤顶及控制系统
预应力张拉设备
油压机系列
液压破装机
DSS系列电动油泵
在线订购 +
联系我们 →
相关产品
DBD电动油泵
静载试验专用电动油泵
静载试验专用电动泵
技术参数
DSS系列电动油泵 详细参数
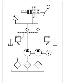
一、产品介绍
DSS系列电动泵是由高低压油泵、控制阀、换向阀、油箱、电机、仪表等组成的液压动力装置。
本泵可实现高低压泵同时供油,输出较大流量,高压时低压泵自动空载回油,减少电机功率消耗,具有停机保压、带压换向等性能。
二、DSS电动油泵原理图
三、DSS系列电动泵站技术参数表
关于我们
公司简介
联系我们
推荐产品
液压劈裂器
液压千斤顶
液压电动泵
产品中心
液压千斤顶油缸
电动油泵
手动油泵
径向柱塞泵
液压劈裂机
液压劈裂棒
德州市赛力德液压设备有限公司
地址:山东省德州市德城区新华工业园
电话:0534-2718268
传真:0534-2718218
手机:13969283403
邮箱:dzsldyy@126.com
网址:https://www.dzsld.com
© 德州市赛力德液压设备有限公司
鲁ICP备2020038190号-1
鲁公网安备 37140202001214号
技术支持:
云豆信息技术